让光伏电站的运行管理更智能、更高效、更安全
作者:PA直营日期:2026-02-06浏览:来源:PA直营官网
在 “双碳” 目标深度推进的背景下(1520176),重工业(0719)作为能源消耗大户,绿色能源转型成为企业高质量发展的核心课题。分布式光伏因 “自发自用、余电上网” 的优势,成为重工企业优化能源结构、降低用电成本的重要选择。近日,安科瑞 Acrel1000DP 分布式光伏并网发电监控系统成功落地某重工企业 18MW 分布式光伏项目,以全流程智能监控方案为项目安全、高效、合规运行保驾护航,让 18MW 绿电真正成为企业生产的 “动力引擎”,为重工行业绿色转型助力。

该重工企业 18MW 分布式光伏项目依托厂区屋顶资源建设,采用 “自发自用、余电上网” 的运营模式,投运后年均发电量可达数千万千瓦时,不仅能有效满足企业生产、办公的用电需求,减少对传统电网的依赖,还能大幅降低碳排放,助力企业实现能源结构的系统性升级。而作为项目的 “智慧大脑”。

安科瑞 Acrel1000DP 分布式光伏监控系统的落地,更是解决了大型光伏电站在数据采集、安全防护、运维管理、合规并网等方面的核心痛点,让光伏电站的运行管理更智能、更高效、更安全。

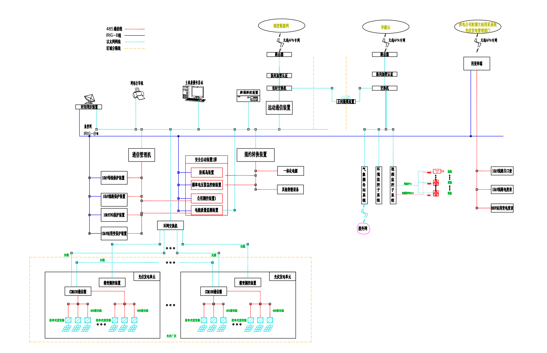
针对重工企业光伏电站装机规模大、设备分布广、运行要求高的特点,安科瑞 Acrel1000DP 分布式光伏监控系统采用设备层 - 通信层 - 站控层三层架构设计,实现了对电站全设备、全数据、全流程的一体化管控,完美适配重工企业的实际用电需求。

在设备层,系统全面对接项目中 85 台组串式逆变器、汇流箱、防孤岛保护装置、A 类电能质量监测装置等核心设备,同时部署电气接点无线测温传感器,精准采集电参量、设备运行状态、环境辐照度、关键部位温度等数据,为电站运行提供全面的数据支撑,从源头保障数据采集的完整性和准确性。
通信层则通过通信管理机、协议转换器实现多设备、多协议的兼容互通,依托以太网、光纤专网等传输方式,将设备层采集的海量数据稳定、快速上传至站控层,同时采用 4G 无线专用通道 + 纵向加密装置的组合,实现数据的安全传输,消除 “数据孤岛”,让三个光伏配电房的设备数据实现互联互通。

站控层作为系统的核心管控中心,在 3# 光伏配电房部署专用监控主机屏和远动屏,搭建起集综合监测、电能质量分析、设备精细化管理、功率预测、调度上报于一体的智能监控平台。

平台可直观展示电站装机容量、实时发电功率、日 / 月 / 年发电量等核心数据,按汇流单元拆分分析每组光伏组件的发电效率,让运维人员对电站整体运行态势一目了然;同时支持移动端、调度中心多端访问,实现电站的远程监控,适配重工企业厂区范围大、现场巡检难度高的场景。


除了完善的架构设计,安科瑞 Acrel1000DP 分布式光伏监控系统的核心优势,更体现在贴合重工企业需求的全维度功能打造,从安全防护、合规并网到智能运维,全方位为 18MW 光伏项目保驾护航。

相较于传统人工巡检模式,安科瑞 Acrel1000DP 分布式光伏监控系统实现了电站运维的智能化、自动化升级。系统可自动记录设备报警信息,分类展示报警类型、等级和处理状态,运维人员无需现场巡检即可快速定位故障点,平均故障排查时间缩短 50%;同时系统自动核算发电收益,生成多维度运维报表,替代人工统计核算,大幅提升运维效率,降低人力成本。此外,系统采用标准化模块设计,预留储能、SVG 等设备接入接口,可适应未来源网荷储一体化的发展需求,为企业能源升级提供可拓展的解决方案。返回搜狐,查看更多
联系方式
广东PA直营能源科技集团股份有限公司
业务电话 : 189 8867 0854(微信同号)
网址:www.jieshoubbs.com
地址:佛山市南海区狮山镇中富中心7-8层
Copyright © 2025 广东PA直营能源科技集团股份有限公司 版权所有